Notes:
All readings are typical values at rated voltage. Specifications subjected to change without prior notice. If you need to speed or voltage function not on the list, Please contact us.


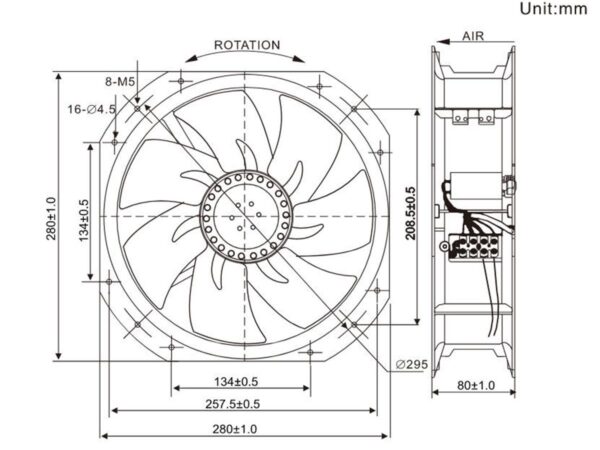
| Listed Model | Bearing System | Rated Voltage | Freq. | Current | Speed | Air Flow | Static Pressure | Noise | Weight | ||
|---|---|---|---|---|---|---|---|---|---|---|---|
| VAC | Hz | A | RPM | m³/min | CFM | mmH₂O | inchH₂O | dBA | g | ||
| X28080A1HB | Ball | 110 | 50/60 | 1.20/1.30 | 2500/2700 | 31.07/32.83 | 1098/1160 | 18.5/19.1 | 0.73/0.75 | 69/70 | 2600 |
| X28080A2HB | Ball | 220 | 50/60 | 0.55/0.70 | 2500/2700 | 31.07/32.83 | 1098/1160 | 18.5/19.1 | 0.73/0.75 | 69/70 | 2600 |
Notes:
All readings are typical values at rated voltage. Specifications subjected to change without prior notice. If you need to speed or voltage function not on the list, Please contact us.