6020

Ventilateur DC

6020
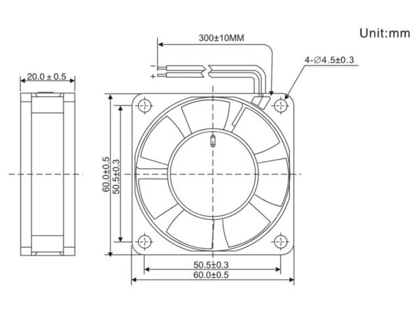
, 60x60x20mm
Dimensions Dessin
Spécifications générales

Cadre : Plastique thermique, UL 94V-0
Roue : ThermalPlastic, UL 94V-0
Fils de plomb : UL Type (+) Rouge,(-)Noir
Température de fonctionnement : -10℃~70℃, 35%~85%RH
Température de stockage : -40℃~80℃, 35%~85%RH
Protection du moteur : Protégé contre l'impédance, protégé contre l'inversion de polarité

Courbe P&Q (à la tension nominale)
Paramètres techniques
Modèle répertoriéSystème de roulementTension nominaleTension de fonctionnementCourant nominalPuissance d'entréeVitesse nominaleDébit d'air maximumPression statique maximaleNiveau de bruitPoids
VDCVDCAWattRPMCFMm³/minmmH₂OpouceH₂OdBAg
X6020D12UBBoule127.0~13.80.253700023.050.6580.324450
X6020D12HBBoule127.0~13.80.151.8550018.440.526.40.254050
X6020D12MB/SBoule/manchon127.0~13.80.11.2450014.750.425.120.23550
X6020D12LB/SBoule/manchon127.0~13.80.070.84350011.80.344.10.162850
X6020D24UBBoule2414.0~27.60.153.6700023.050.6580.324450
X6020D24HBBoule2414.0~27.60.12.4550018.440.526.40.254050
X6020D24MB/SBoule/manchon2414.0~27.60.071.68450014.750.425.120.23550
X6020D24LB/SBoule/manchon2414.0~27.60.051.2350011.80.344.10.162850

Notes :

Tous les relevés sont des valeurs typiques à la tension nominale. Les spécifications peuvent être modifiées sans préavis. Si vous avez besoin d'une fonction de vitesse ou de tension qui ne figure pas sur la liste, veuillez nous contacter.

Recommander